邯鄲一零一電子有限責任公司
地 址:河北邯鄲峰峰礦區新坡工業園
電 話:0310-5013438 5014065
傳 真: 0310-5129011(業務專用)
郵 箱:[email protected]
網 址:http://www.77diandian.cn |
|
|
| 產品中心 |
HTTP://www.77diandian.cn |
產品詳細說明 |

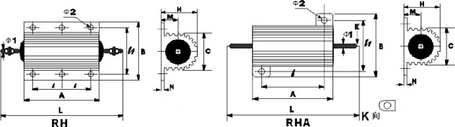
| ■技術說明 Technical Specifications |
型號 (TYPE) |
額定 功率 |
外 形 尺 寸DIMENSIONS(mm) |
重量(g) |
| 電阻體 |
帶散熱片 |
| Amax |
B |
Lmax |
Hmax |
C |
l |
l1 |
M |
N |
Φ1 |
Φ2 |
面積 cm2 |
厚度 mm |
| RHA |
5 |
15.5 |
16 |
36.5 |
8 |
8.5 |
11.4 |
12 |
4.4 |
1.5 |
1.5 |
2.2 |
415 |
1 |
3 |
| 10 |
19.5 |
21 |
40.5 |
10 |
11.2 |
14 |
16 |
5 |
2 |
2 |
2.5 |
415 |
6 |
| 20 |
27 |
27 |
48 |
13 |
14.3 |
18.3 |
20 |
7 |
2 |
2 |
3.5 |
535 |
11 |
| 30 |
34 |
29 |
55 |
15.5 |
16.3 |
25 |
22 |
7 |
2 |
2 |
3.5 |
535 |
18 |
| 50 |
50 |
29 |
71 |
15.5 |
16.3 |
40 |
22 |
7.3 |
2 |
2 |
3.5 |
995 |
30 |
| 75 |
65.5 |
48 |
86.5 |
26 |
27 |
23.5 |
37 |
11.5 |
3.5 |
3 |
4.4 |
995 |
3 |
90 |
| 100 |
98 |
48 |
119 |
26 |
27 |
35 |
37 |
11.5 |
3.5 |
3 |
4.4 |
995 |
160 |
| 150 |
130 |
48 |
151 |
26 |
27 |
52 |
37 |
11.5 |
3.5 |
3 |
4.4 |
995 |
240 |
| RH |
75 |
65.5 |
48 |
93.5 |
26 |
27 |
23.5 |
37 |
11.5 |
3.5 |
M3 |
4.4 |
995 |
90 |
| 100 |
98 |
48 |
126 |
26 |
27 |
35 |
37 |
11.5 |
3.5 |
M3 |
4.4 |
995 |
160 |
| 150 |
130 |
48 |
158 |
26 |
27 |
52 |
37 |
11.5 |
3.5 |
M3 |
4.4 |
995 |
240 |
| 200 |
92 |
73 |
132 |
45 |
46.5 |
35 |
58 |
21 |
5 |
M6 |
5.5 |
3750 |
420 |
| 250 |
112 |
73 |
152 |
45 |
46.5 |
45 |
58 |
21 |
5 |
M6 |
5.5 |
4765 |
480 |
| 300 |
130 |
73 |
170 |
45 |
46.5 |
51 |
58 |
21 |
5 |
M6 |
5.5 |
5780 |
580 |
| 500 |
204 |
73 |
244 |
45 |
46.5 |
87 |
58 |
21 |
5 |
M6 |
5.5 |
8500 |
970 |
| ■特性 Characteristics |
| 試驗項目 TEST ITEM |
性能要求 SPECIFICATIONS |
試驗方法TEST METHOD |
| 電阻溫度系數 temperature corfficient of resistance |
±50ppm/℃ ±100ppm/℃ ±250ppm/℃ |
JIS5202-5.2 |
| -55℃ 到 +155℃ |
| T.C.R=(R2-R1)×10^6/R1×(T2-T1)(PPM/℃) |
| R1:常溫(T1)阻抗值; |
| R2:常溫+100℃(T2)阻抗值 |
| 過載 Over—load |
ΔR≤±(1% R0+0.05Ω) |
JIS5202-5.5 |
| 2.5倍額定電壓 5 秒 |
| 耐焊接熱 Resistance to sold,heat |
ΔR≤±(1%R0+0.05Ω) |
JIS5202-6.4 |
| 錫爐溫度:350℃±10℃ |
| 浸入時間3±0.5 秒 |
| 引出端強度 Terminal strength |
40N |
JIS5202-6.1 |
| 水平方向 10秒 |
| 沖擊 Shock |
50g 11ms, 18 次 |
JIS5202-6.7 |
| 振動 Vibration |
10~500Hz,10g 6h |
JIS5202-6.3 |
| 耐濕負荷壽命 Moisture load resistance life |
ΔR≤±(5% R0+0.1Ω) |
JIS5202-7.9 |
| 40±2°C, 90~95% RH |
| 于恒濕箱中加額定直流電壓測試1.5小時,停止0.5小時連續測試1000小時 |
| 耐溫負荷壽命 Temperature load life |
ΔR≤±(5% R0+0.1Ω) |
JIS5202-7.10 |
| 70℃ 于恒濕箱中加額定直流電壓測試1.5小時,停止0.5小時連續測試1000小時 | |
邯鄲一零一電子有限責任公司 聯系方式 |
|
|
|
|